南北儀器專業提供實驗室儀器設備一站式解決方案
ABQ 鈕扣測試儀
一、 簡介:
ABQ鈕扣測試儀,可配置NK、HF推拉力計和zhuan用夾具,zhuan用于測量鈕扣的扣合力或脫離衣物破壞力。檢測鈕扣、按鈕等固定強度是很重要的一項標準,尤其是在嬰兒和兒童服裝設計及制造中Z為重要。在鈕扣固定裝飾件上使用一定力的測量需要通過力度儀器來記錄。
二、 目的:
ABQ鈕扣測試儀的測試目的是界定成衣制造商的責任以保證鈕扣、按鈕及固定件能適當地固定在成衣上,防止鈕扣等脫離成衣,造成嬰兒有機會吞服的危險。故此,suo有成衣上的鈕扣、按鈕及固定裝飾件(可整個放入小型物件測量器)均需通過鈕扣測試儀的檢測。
三、 意義及作用:
1、 此儀器的測試方法用作量度對鈕扣及衣物進行垂直拉力測試的力度,而鈕扣及按鈕并不拉扯至脫離衣物。
2、 此方法所要求鈕扣縫紉規格應該按照鈕扣制造商所定的標準。
3、 此測試方法用于建立不同穿著環境的關連性,以及對不同鈕的各類和品牌作出比較。
4、 此標準可能包含危險物料,操作及儀器,而標準內沒有列出suo有可能在使用上出現的安全問題。故此標準的使用者責任建立有關的安全和建康的規則,以及在使用前決定適當的規條。
5、 suo有鈕扣都需要用鎖鏈針步縫緊在布料上。
6、 按照測試要求,當Z大的鈕扣尺寸是大于6mm或小于/等于6mm,鈕扣就改須能分別承受90N有50N的拉力。
四、 儀器介紹:
1、 儀器的機座(如下圖所示):


· 機臺底座大,穩定性好,適合室內桌上測試使用。
· 螺桿傳動,測頭位移精確,側面手輪加載,操作簡單穩定。
· 底座標準配置的移動平臺,可實現左右、前后移動,方便準確裝夾。
· 可將本機臺安裝于桌(臺)上使用,使機架更加 穩固。
· 長×寬×高:260mm×360mm×700mm。
· 行程:180mm。
· 額定負荷:500N。
·凈重:約20kg。
2、 儀器的推拉力計:標準配置為指針式推拉力計NK—300
(也可配置數顯式推拉力計HF—300,價格不同)
⑴ 指針式推拉力計
A、 型號:NK—300。
B、 Z大負荷:300N(30Kg)。
C、 推拉桿行程:10mm。
D、 工作溫度:20℃±10℃。
E、 運輸溫度:-27℃~+70℃。
F、 相對濕度:15%~80%RH。
G、 工作環境:周圍無震源及腐蝕性介質。
⑵ 數顯式推拉力計
H、 型號:HF—300。
I、 Z大負荷:300N(Kg、N和ib三種單位可自動轉換)。
J、 分辨率:0.01N。
K、 精度:±0.5%。
L、 輸出接口:RS 232 九孔插座。
M、 電源:充電電源:220V/AC;電池連續工作時間:6~8小時。
N、 穩定性:溫漂:0.2uV/℃(0~60℃);零漂:≤ 0.1%/8小時/FS。
O、 標定范圍:滿量程標定。
P、 環境溫度:0~+60℃。
Q、 環境濕度:≤ 80%。
R、 允許過載:150%。
S、 供電方式:5 號鎳氰電池組 /220V AC 充電 4~6 小時。
3、 儀器的上夾具:
A、 · 型號:AJJ-013。
· 適用范圍:主要應用于鈕扣、玩具等拉力測試。
· Z大負荷:500N。
B、 ·型號:AJJ-014。
· 適用范圍:主要應用于鈕扣、玩具等拉力測試。
· Z大負荷:500N。
4、 儀器的底座夾具:
· 型號:AJJ-015。
· 適用范圍:主要應用于鈕扣、玩具等拉力測試。
· Z大負荷:500N。
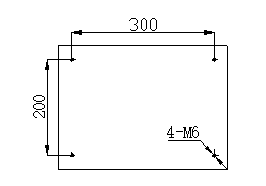
五、儀器的安裝方法:
1、機座的安裝方法:
本儀器可安裝在桌子上,使儀器更加穩固。安裝時請保證工作臺面水平,使測試得到準確的數值。安裝時請參照(長×寬:300mm×200mm)安裝。
2、推拉力計的安裝方法:
A、用M4扳手將測力計安裝板上4個M 4×15的內六角圓柱頭螺釘松開,卸下測力計安裝板;
B、安裝HF系列(數顯式推拉力計)的推拉力計時,用M4內六角扳手將附件袋里的4枚M4×10的內六角螺釘穿過測力計安裝板上90×40 的孔旋入測力計4個M4的螺紋孔內,將測力計安 裝到測力計安裝板上;或用十字螺絲刀將附件 袋里的4枚M3×10的十字槽盤頭螺釘穿過測力計內,將測力計安裝到測力計安裝板上。 安裝板上145×30的孔旋入測力計4個M3的螺紋孔;
C、 安裝NK系列(指針式推拉力計)的推拉力計時,用十字螺絲刀把推拉力計后蓋上的4枚 M×10的螺釘卸下,將附件袋里的4枚M3×14的十字槽螺釘穿過測力計安裝板上的145×30的安裝孔, 旋入測力計后蓋上的4個M3螺紋 孔(卸下M3×10的螺釘的螺紋孔);
D、 安裝好推拉力計表后,用M4內六角扳手將測力計安裝板重新安裝到機架上面。
3、上夾具的安裝方法:
將上夾具用附件中具有內螺紋連接鉤,安裝于推拉力計的測試桿上。
4、 底座夾具的安裝方法:
用附件中的2顆M6螺釘與M6內六角板手,將底座夾具與機座接連牢固即可。
六、一般測試操作過程:
1、將附有按鈕固定件的布料放入底座夾具上(放在帶有凹形的壓塊下),保持鈕扣面向上,推動推桿把手以夾穩布片(并確保面料已被壓住)。
2、逆時針方向旋轉上夾具,使其抓口張開。
3、若用HF系列(數顯式推拉力計)的推拉力計時,打開電源,待液晶顯示屏顯示為零后即可。
4、安裝NK系列(指針式推拉力計)的推拉力計時,按一下切換按鈕,使指回到零位即可。
5、搖轉機身的手輪,使其上夾具向下運動,并能夠抓住鈕扣。
6、搖轉機身的手輪,使其向上運動。
七、日常保養與維護:
1、請勿超載使用,本儀器額定負荷為300N。
2、注意日常的保養工作,保持儀器各部件清潔。
3、在使用過程中儀器運行滯澀不靈活時,請向機臺兩側軸承座上的加油孔內添加少許機油潤滑。機臺出現故障時請及時聯系廠家或銷售點(請勿擅自拆卸、修理)。