南北儀器專業提供實驗室儀器設備一站式解決方案
功 能:
LX邵氏A型硬度計廣泛應用于中低硬度塑料、各類橡膠、多元脂、皮革、蠟等的硬度測試。
產品參照:
ISO868 和 ISO7619標準生產,符合 GB/T531 、JB6148 和 JJG304 標準。
特 點:
1.指針式指示,讀數方便、準確、精度高;
2.手持式設計,攜帶方便,可手持測量,也可安裝在配套的測試架上測試。
規格參數:
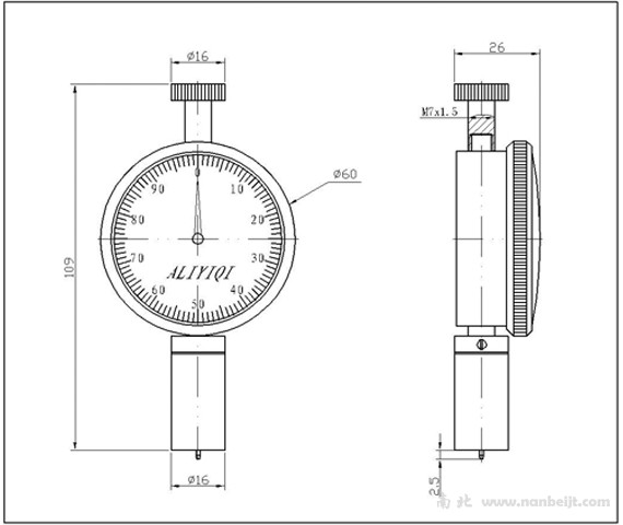
刻 度 盤 值: 0 ~ 100HA;
壓 針 行 程: 2.5 mm;
推薦測量范圍: 10 ~ 90HA;
壓針頭部尺寸:Ф 0.79 mm;
重 量:~ 0.5 kg。

結構圖:

使用方法:
把試樣放置在堅固的平面上,拿住硬度計,壓足中孔的壓針距離試塊邊緣至少12mm,平穩地把壓足壓在試樣上,不能有任何振動,并保持壓足平行于試樣表面,以使壓針垂直地壓入試樣,所施加的力要剛好足以使壓足和試樣完全接觸,除另有規定,必須在壓足和試樣完全按觸后1秒內讀數,如果是其他間隔時間讀數則必須說明,在試樣相距至少6mm的不同位置測量硬度值5次,取其平均值。
使用須知:
⑴、測定前應檢查硬度計的指針在自由狀態下應指向零位。如指針量偏離零位時,可以松動右上角壓緊螺釘,轉動表面,對準零位。然后將硬度計壓在玻璃板上,壓針端面與壓足底面緊密接觸于玻璃板上時,指針應指向100+/-1HA,如不指向100+/-1HA時,可輕微按動壓針幾次,如仍不指100+/-1HA時,則此硬度計不能使用。如在邵氏硬度計測試機架上使用時,可撥動手柄,使工作臺上升至定荷砝碼抬起,使壓針端面與壓足平面緊密接觸于玻璃工作臺時,指針應指向100+/-1HA。如不指100+/-1HA時, 可調整工作臺平面的調節螺釘,若調整后指針仍不指100+/-1HA時,優異送生產單位調整為宜。
⑵、橡膠的試樣及試驗溫度要求; ①、橡膠的試樣厚度不小于6mm,寬度不小于15mm,長度不小于35mm,試樣厚度不足6mm時,可用同樣膠片重疊測定,但不超過3層。并要求膠片上下平行。 ②、檢定時室溫為23℃±5℃,檢定前硬度計在此溫度下至少存放1小時。
⑶、塑料試樣及試驗溫度要求; ①、塑料試樣為正方形,邊長50mm、厚度6mm。也允許采用50×15mm的試樣。 ②、在可能的情況下,試樣在測試前應按照GB/T2941-1991規定在實驗室標準溫度下進行調節。比對試驗或系列試驗必須在相同溫度下進行。
⑷、橡膠及塑料試樣表面均應光滑、平整、不應有機械損傷及雜質等缺陷。
⑸、硬度計使用35000次后,建議每使用10000次左右按GB531規定檢查彈簧壓力與指針刻度關系及壓針端部的形狀尺寸。
⑹、硬度計使用完畢后,裝入儀器盒或儀器箱內,放置干燥處,防止受潮。
⑺、定荷測定架上的升降小軸和工作臺底部,請注意經常揩擦干凈,涂少量防銹油,以防生銹。
⑻、使用邵氏硬度計時,當A型硬度計示值低于10HA時是不準確的,測量結果不能使用。A型硬度計測量值超出90HA時推薦使用D型硬度計。